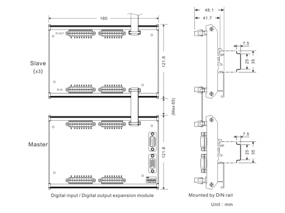
16*DI & 16*DO 模块
|
规格 |
DI & DO扩充模组(铁壳-NPN) |
DI & DO扩充模组(塑胶壳-NPN) |
DI & DO扩充模组(塑胶壳-PNP) |
|
输入电源 |
24VDC |
24VDC |
24VDC |
|
DI/DO接法 |
NPN |
NPN |
PNP |
|
DI/DO段数 |
16DI和16DO |
16DI和16DO |
16DI和16DO |
|
最大输出电流 |
2A |
2A |
2A |
|
最多扩充台数 |
12台(MAX=192) |
12台(MAX=192) |
12台(MAX=192) |



